MHB Equivalent Impedance: 1MicroF Cap, 1kOhm & 200mH Inductor

AI Thread Summary
The discussion focuses on calculating the equivalent impedance of a circuit consisting of a 1-microF capacitor and a 1-kOhm resistor in parallel, connected in series with a 200-mH inductor at an angular frequency of 1 krad/s. The individual impedances are identified as 1000 ohms for the resistor, 200j for the inductor, and -1000j for the capacitor. The correct method for combining these impedances involves recognizing the parallel connection of the capacitor and resistor, followed by adding the result to the inductor's impedance in series. The final equivalent impedance is calculated to be 500 - 300j ohms, correcting earlier miscalculations. This process highlights the importance of proper impedance combination techniques in circuit analysis.
jmartin
Messages
5
Reaction score
0
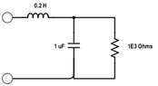
Question: A 1-microF capacitor and a 1-kOhm resistor are connected in parallel, and this parallel combination is connected in series with a 200-mH inductor. Find the equivalent impedance of the connection at w=1 krad/s.

Relevant Equations: Z=R for a resistor, Z=jwl for an inductor, and Z=1/(jwC) for a capacitor (w=omega)

I know to find equivalent impedance you use the above equations, but I am not sure how to proceed with this question. Any help would be appreciated.
 
Mathematics news on Phys.org
So we have the following:

View attachment 4513

And you have reported $\omega=1E3$ rad/s. So what are the individual impedances?
 

Attachments

  • jmartin sss question.png
    jmartin sss question.png
    1.1 KB · Views: 99
The impedances are 1000 ohms for the resistor, 200j for the inductor, and 1000/j for the capacitor.
 
jmartin said:
The impedances are 1000 ohms for the resistor, 200j for the inductor, and 1000/j for the capacitor.

Excellent! I'd go ahead and write $1000/j=-1000j$, since $\dfrac{1}{j}=-j$.

So, now we have to consider how these elements combine. How are the components connected? And how do impedances combine in series? Parallel?
 
The capacitor and resistor are connected in parallel, and this combination is in series with the inductor. Impedances are added normally in series and inversely in parallel.
 
jmartin said:
The capacitor and resistor are connected in parallel, and this combination is in series with the inductor. Impedances are added normally in series and inversely in parallel.

Excellent! So your equivalent impedance is...
 
I am getting 1000-487j as the answer. I'm not sure what I am doing wrong in my calculations.
 
Ok, so we should have
\begin{align*}Z_{\text{eq}}&=200j+(1000) \| (-1000j) \\
&=200j+\frac{(1000)(-1000j)}{1000-1000j} \\
&=200j+\frac{-1000j}{1-j} \\
&=200j+\frac{-1000j}{1-j} \cdot \frac{1+j}{1+j} \\
&=200j+\frac{-1000j+1000}{2} \\
&=200j+500-500j \\
&=500-300j.
\end{align*}
Can you see your error now?
 
Yes I found where I made my mistake. Thank you so much for your help!
 
  • #10
You're quite welcome! Any time!
 
Back
Top