Finding minterms from Multiplexer

  • Thread starter Thread starter Blurpeys
  • Start date Start date
  • Tags Tags
    Multiplexer
AI Thread Summary
The discussion focuses on identifying minterms from a multiplexer based on given input conditions. It concludes that inputs I(0) and I(7) yield no minterms, while inputs I(1), I(2), I(6), and others produce specific minterms. There is uncertainty regarding the evaluation of inputs I(3), I(4), and I(5), which involve XOR operations with D. Participants are encouraged to assess all eight input terms to clarify the minterm status. The conversation highlights the complexity of determining minterms in multiplexer configurations.
Blurpeys
Messages
1
Reaction score
0
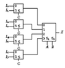
Homework Statement
Determine the minterm list for Z(A,B,C,D) shown below. Assume the following values for the inputs: I(0)=0, I(1)=1, I(2)=D, I(3)=1⊕D, I(4)=0⊕D, I(5)=D⊕D, I(6)=1⊕0, I(7)=1⊕1. Also, assume that S(1) is the most significant select line for the 1-of-4 Mux.
Relevant Equations
N/A
I(0)=0, so 0 and 1 are not minterms.
I(1)=1, so 2 and 3 are minterms.
I(2)=D, so 5 is a minterm but 4 is not a minterm.
I(3) not sure
I(4) not sure
I(5) not sure
I(6)=1⊕0=1, so 12 and 13 are also minterms.
I(7)=1⊕1=0, so 14 and 15 are not minterms.

I don't know how to deal with the rest of them, I am not even sure if the one I mentioned are correct.
 

Attachments

  • 2022-03-14_17-50.png
    2022-03-14_17-50.png
    3.4 KB · Views: 164
Physics news on Phys.org
Start by evaluating all the 8 input terms;
These three XOR terms could generate; 0, 1, D, or NOT(D)
I(3)=1⊕D ;
I(4)=0⊕D ;
I(5)=D⊕D ;
 
Thread 'Have I solved this structural engineering equation correctly?'
Hi all, I have a structural engineering book from 1979. I am trying to follow it as best as I can. I have come to a formula that calculates the rotations in radians at the rigid joint that requires an iterative procedure. This equation comes in the form of: $$ x_i = \frac {Q_ih_i + Q_{i+1}h_{i+1}}{4K} + \frac {C}{K}x_{i-1} + \frac {C}{K}x_{i+1} $$ Where: ## Q ## is the horizontal storey shear ## h ## is the storey height ## K = (6G_i + C_i + C_{i+1}) ## ## G = \frac {I_g}{h} ## ## C...

Similar threads

Back
Top