Finding unknown currents in a circuit, mass of wire

AI Thread Summary
The discussion focuses on solving two circuit problems involving Kirchhoff's laws. For part (a), participants clarify how to apply Kirchhoff's junction and voltage laws to find the unknown current and battery voltage, with emphasis on labeling currents and resistances correctly. The equations derived include relationships between the known currents and resistances, leading to a system of equations to solve for the unknowns. For part (b), the discussion shifts to calculating the mass of a wire used in a resistor, utilizing the formula that relates resistance to resistivity, length, and cross-sectional area. Participants seek guidance on applying these concepts accurately to complete their homework.
KMc19
Messages
8
Reaction score
0

Homework Statement



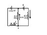
The following two problems concern the diagram that is attached. In the circuit shown, the batteries have negligible internal resistance. The currents through the 6.0 and 2.0 Ohm resistors are 5.00 and 3.00 A respectively and their directions are shown. The Emf of one battery is 15.0 V and the other is unknown.

a) Find the current passing through the resistor R, and the Emf, E, of the unknown battery.


b) The 6.0 Ohm resistor in the diagram above has been constructed from a certain length of a uniform nickel alloy wire having a radius of 5.00 x 10^-4 m. The resistivity of the wire is 1.50 x 10^-6 Ohms and its density is 8.10 x 10^3 Kg/m^3. Find the mass of the wire used to construct the resistor.






The Attempt at a Solution




I am having a very stressful time finding the right equation for both (a) and (b) and the correct way to go about it to solve. Your help is very appreciated!
 

Attachments

  • Physics.jpg
    Physics.jpg
    10 KB · Views: 587
Physics news on Phys.org


How would you apply Kirchhoff's circuit laws?
 


That's what I'm trying to figure out?
 


Well if you consider that the current splits up at the lower junction then the Kirchhoff's junction rule says that I1 = I2 + I3.

According to Kirchhoff's voltage law, then one way to solve it would be to go clockwise in the outer part of the circuit and in the right part of the circuit.
The equations thusly become
E1 - R1I1 - R3I3 = 0 and
E2 + E1 - R1I1 - R2I2 = 0.
 


So I1=I2+I3 and we have the "spoiler equations". What values do you put the 3 and the 5 A for? I2 and I3? They are not labeled on the PDF file. Also what do the variables in the equations represent?
 


da_nang said:
Well if you consider that the current splits up at the lower junction then the Kirchhoff's junction rule says that I1 = I2 + I3.

According to Kirchhoff's voltage law, then one way to solve it would be to go clockwise in the outer part of the circuit and in the right part of the circuit.
The equations thusly become
E1 - R1I1 - R3I3 = 0 and
E2 + E1 - R1I1 - R2I2 = 0.

So I1=I2+I3 and we have the "spoiler equations". What values do you put the 3 and the 5 A for? I2 and I3? They are not labeled on the PDF file. Also what do the variables in the equations represent?

Hope you can help! Thanks!
 


I'm not sure if I understand your question gay, but we could say 3.0 Amperes can be I2, and 5.0 A can be I3 if that's what you were looking for.


Hope that was where you were going ...
 


Okay, so I set up the Spoiler equation. I labeled the other Emf E1 and the unknown Emf, E2. Also I labeled the unknown R1 as well as the unknown current I1. R2 is the 2.0 Ohm resistor, L2 the 3.0 A passing through it. R3, the 6.0 Ohm resistor, with I2 being the 5.0 A current passing through.

E1 - R1I1 - R3I3 = 0 and E2 + E1 - R1I1 - R2I2 = 0

(15.0 V)- R1I1 - (6.0 Ohm*5.0 A)= 0 and E2 +(15.0 V)- R1I1 -(2.0 Ohm*3.0 A)= 0Am I on the right track? I'm apologize it's just not making sense.
 


this is the number that I'm trying to do too but i don't understand it at all
 
  • #10


Right, to clarify: The 5 A current and all of the components that it travels through is indexed 1. The 3 A current and its components are indexed 3 leaving the unkown current and its components as 2, meaning that in the first equation, I1 = I2 + I3 ⇔ 5 A = I2 + 3 A.

The loops used in the Kirchhoff's voltage law are the following in clockwise movement:
First route starts from the upper junction then goes through the unknown battery E1 and the first resistance then it follows I3 until it rejoins at the upper junction. The voltage law states that for any loop in a circuit, the sum of the voltages and voltage drops are equal to each other meaning that ∑E = ∑RiIi. In this loop, the equation becomes
E1 = R1I1 + R3I3.

The second loop follows the outer part of the circuit thus the equation becomes

E1 + E2 = R1I1 + R2I2

Solving this system of equations will give you the value of the unknown resistance and battery voltage.
 
  • #11


So what equation would I use to complete part (b)?
 
  • #12


The equation that relates resistance to resistivity: R = ρ*L/A, where R is resistamce, ρ is resistivity, L is the length of the resistor and A is the area of the cross section.
 
Back
Top